|
<< Нажмите, чтобы показать оглавление >> Навигация: Просмотр > Получение информации > Измерение в 2D > Панель "Измерение" в 2D |
Панель Измерение - это плавающая панель, которую можно перемещать, прикреплять к краям окна программы, скрывать, изменять размеры. В ней отображаются результаты измерений, производимые инструментами измерений Расстояние, Длина полилинии и Площадь в текущей сессии программы.

Панель Измерение появляется автоматически при активации любого из инструментов измерения. После выхода из режима измерения панель скрывается. В настройках можно задать постоянное отображение панели "Измерение", для этого в окне Настройки в категории Измерение следует снять галочку с опции Скрывать панель измерений. Для инструмента Расстояние панель "Измерение" имеет два дополнительных поля Задать размер как и Масштабный коэффициент.
Функция Масштабный коэффициент задает коэффициет масштабирования текущих единиц измерения для активного файла. Не влияет на настройку Масштабный коэффициент в категории Измерение в окне Настройки и используется только в чертеже, для которого был изменен.
Функция Задать размер как... также изменяет масштабный коэффициент, но вычисляется он как отношение введенной величины к реальному значению измеренного расстояния.
В полях "Отображаемые единицы"/"Исходные единицы" возможно задать нужные единицы чертежа.
В поле "Точность" устанавливается точность измерений.
Нажатие на правую кнопку мыши в области панели вызывает контекстное меню, которое содержит следующие команды:
Копировать |
Ctrl+C |
Копирует в буфер обмена выделенный текст в панели "Измерение". Выделение текста выполняется при помощи левой кнопки мыши аналогично текстовым редакторам |
Выбрать все |
Ctrl+A |
Выделяет все данные в панели "Измерение" |
Очистить |
Delete |
Очищает панель "Измерение" |
Перейти... |
Alt+G |
Позволяет выполнить переход на строку записи в панели по ее номеру |
Точность |
|
Устанавливает точность для значений последующих измерений |
Сохранить как |
|
Сохранение результатов измерения в TXT файл |
Значения полученных измерений зависят от масштабного коэффициента указанного в диалоговом окне Настройки на вкладке Измерение. Он может быть вычислен автоматически, либо установлен пользователем вручную.
Параметр Отображаемые единицы измерения чертежа диалогового окна Настройки определяет, в каких единицах будут представлены измерения в панели. Имеются три предустановленных значения этого параметра: Метры, Миллиметры и Дюймы. Если масштаб нестандартный, то устанавливается значение Безразмерные.
Задать размер как
Функциональная возможность с условным названием Задать размер как... позволяет получать точные измерения любых участков чертежа, даже если элементы чертежа выполнены в различных масштабах. Данная опция автоматически вычисляет масштабный коэффициент как отношение введенной величины к реальному значению измеренного расстояния. Значение полученного коэффициента заносится в поле Масштабный коэффициент в диалоговом окне Настройки на вкладке Измерения.
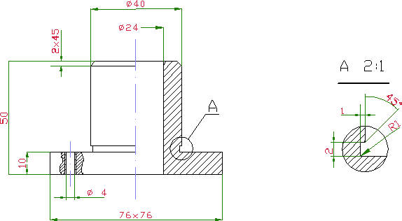
Допустим имеется чертеж с изображением некоторой детали и ее фрагмента в более крупном масштабе. Для получения истинных размеров увеличенного фрагмента детали при его измерении, необходимо установить соответствующий масштабный коэффициент измерений. Выполним это с помощью функции Задать размер как....

1.Активировать инструмент измерения Расстояние;
2.Выполнить измерение любого участка главного вида детали, используя режим объектной привязки [F9]. Произвести измерение, например, верхней части детали, диаметр которой равен 40ед. Линия измерения на рисунке показана красным цветом. Результаты отобразятся в панели Измерение.

3.Задать новое значение для измеренного расстояния. Для того, чтобы при измерении увеличенного фрагмента детали в панели Измерение отображались ее действительные размеры, в поле Задать размер как... следует ввести новое значение для измеренного расстояния, учитывая, что деталь показана в укрупненном масштабе 2:1. Таким образом новое значение измеренного расстояния будет равно "20". Введите это значение в поле Задать размер как... и нажмите клавишу Enter.

4.Выполнить измерение фрагмента чертежа.
Перейти к ABViewer